AK官网

《工业门》国家标准图集起草单位  

服务热线: 400-699-3258
15062688099
Newhb新恒邦拥有10位特种作业持证技术工程师
喜报.新恒邦抗风卷帘门SGS资质证书下来了
返回列表 来源: 抗风卷帘门 发布日期: 2020.09.10 浏览次数:

新恒邦抗风卷帘门SGS资质证书下来了,上月新恒邦向通标标准技术服务(上海)有限公司,送检抗风卷帘门,做抗风压性能测试,本月SGS检测报告终于到手了。

新恒邦抗风卷帘门SGS检测报告1

新恒邦抗风卷帘门SGS资质证书下来了,SGS (瑞士通用公证行,我国叫通标标准技术服务有限公司)成立于1878年,至今已在全球设立1000多个分支机构。SGS在报告中阐述检验、测试、认证、鉴定后得出的结果或结论,但检验和认证并非根据SGS的标准,而是根据标准、各处法律法规、客户要求或行业特殊要求而进行。一百多年来,SGS一直从事检验、检测、鉴定和认证工作,已经在全球范围内的累积了广泛的公信力,受到众多买家和政府的认可及信任。之所以众多采购组织甚至政府海关要求商家(入口商、出口商都有可能)提供一份SGS报告,其目的就是通过第三方公正机构验证其是否符合相关法规或标准。这也符合SGS在自我介绍中提及的"增加透明度,提升政府效率,产品质量"等经营理念。

新恒邦抗风卷帘门SGS检测报告2

新恒邦抗风卷帘门SGS检测报告3

新恒邦抗风卷帘门SGS检测报告4

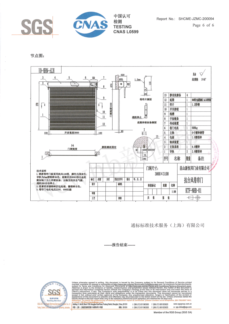
新恒邦抗风卷帘门SGS资质证书下来了,本次送检的产品规格是4000mm*3800mm,钢质卷帘门门板采用抗风120型,在2700pa风压的环境下,帘片几乎没有发生形变,加装an全无线气囊,遇阻2KG自动停止,an全性能强,600KG级卷帘门电机,运行平稳,在激烈的市场竞争中,只有做到差异化,才是我们取胜的关键。在此,我们也非常感谢公司技术部全体员工的辛勤付出,期待更好的作品呈现。

新恒邦抗风卷帘门SGS检测报告新恒邦抗风卷帘门SGS检测报告5

新恒邦抗风卷帘门SGS检测报告6

【相关推荐】

咨询热线


400-699-3258
15062688099